картинка HVMP от магазина Одежда+
картинка HVMP от магазина Одежда+
картинка HVMP от магазина Одежда+
картинка HVMP от магазина Одежда+
Минимальная цена: 73 710 ₽
Количество

ОПИСАНИЕ

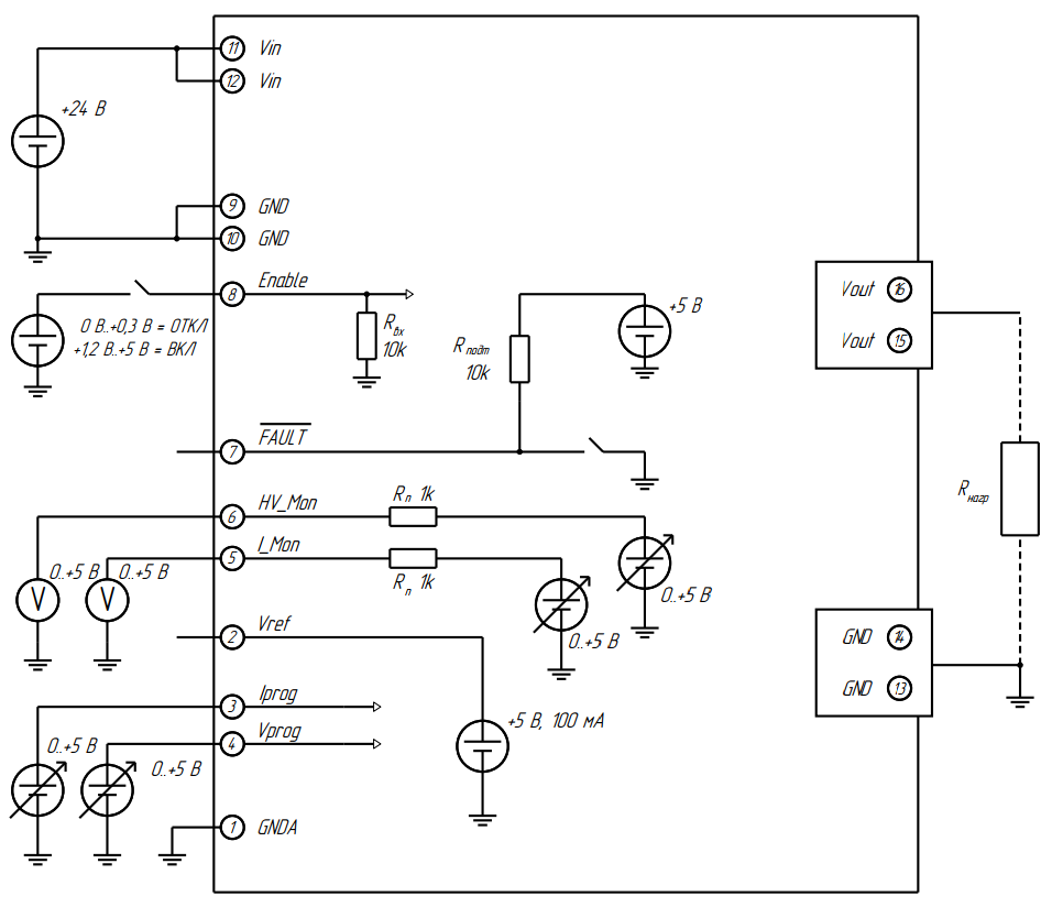
Модельный ряд HVMP включает в себя источники питания с фиксированным и регулируемым выходным напряжением мощностью до 125 Ватт. В зависимости от модели, выходное напряжение может быть пропорционально внешнему опорному напряжению, пропорционально входному напряжению питания или задаваться программно. Практически все модели имеют встроенные защиты от повышенного/пониженного напряжения питания, по току, по температуре, по превышению выходного напряжения.

ОСОБЕННОСТИ

  • Ультранизкие пульсации выходного напряжения (менее 200uV)
  • Высокая скорость нарастания выходного напряжения
  • Оптимальные характеристики переходных процессов
  • Малая выходная емкость
  • Низкий температурный дрейф выходных параметров
  • Поддержка аналогового и цифрового интерфейсов управления
  • Высокая надежность, помехоустойчивость и стойкость к вибрациям
  • Малые габариты и вес

ПРИМЕНЕНИЕ

Масс-спектрометрия, Электронная микроскопия, Оптическая спектроскопия, Лазерная техника, Рентген-системы, Электрофорез, Синтез материалов, Фотоумножители (PMT), Лавинные фотодиоды (APD), Ультразвуковые преобразователи, Системы для тестирования и разработки Полупроводниковых Устройств и другие устройства, требующие высокого напряжения.

Модельный ряд Номинальная Мощность Максимальное выходное напряжение при номинальной мощности, кВ Регулировка выходного напряжения Пульсации выходного напряжения Файлы
От 1 кВ до 8 кВ
HVMP-10-X10 Вт12468От 0 до Vout макс.0.05% Vp-ppdf
HVMP-20-X20 Вт12468От 0 до Vout макс.0.1% Vp-p
HVMP-30-X30 Вт12468От 0 до Vout макс.0.1% Vp-p
HVMP-40-X40 Вт12468От 0 до Vout макс.0.1% Vp-p
От 10 кВ до 40 кВ
HVMP-10-X10 Вт1020303540От 0 до Vout макс.0.1% Vp-ppdf
HVMP-20-X20 Вт1020303540От 0 до Vout макс.0.05% Vp-p
HVMP-30-X30 Вт1020303540От 0 до Vout макс.0.05% Vp-p
HVMP-40-X40 Вт1020303540От 0 до Vout макс.0.05% Vp-p
Серия регулируемых высоковольтных источников питания HVULP вкдючает в себя модели с максимальным выходным напряжением 2.5 кВ, мощностью от 0.1 до 2 Вт. Подробнее

HVULP

Минимальная цена: 12 168 ₽
шт
Серия HVS-B - компактная версия высоковольтных коммутирующих устройств, оснащённая набором защит и обратных связей. Изделия данной серии характеризуются наименьшим временем открытия, простотой управления, высокой надёжностью и малыми габаритными размерами. Подробнее

HVS-B

Минимальная цена: 115 000 ₽
шт
Серия HVS-HB – базовая версия высоковольтных коммутирующих устройств полумостовой конфигурации, оснащённая набором защит и обратных связей. Изделия данной серии предназначены для формирования прямоугольных импульсов на нагрузке любого типа. Подробнее

HVS-HB

Минимальная цена: 121 000 ₽
шт
Серия изолированных регулируемых прецизионных высоковольтных источников питания HVMPI включает в себя модели с выходным напряжением от 7 до 12 кВ, с мощностью до 20 Вт. Подробнее

HVMPI

Минимальная цена: 72 710 ₽
шт
© 2026 ООО «ПАРАМЕРУС». Все права защищены.