Высоковольтный модуль HVULP – источник питания высокого напряжения, мощностью до 1.5 Вт предназначенный для установку на печатную плату методом пайки. Данное устройство широко используется для питания ФЭУ, детекторов элементарных частиц, газовых хроматогрофов, масс-спектрометров и других физических проборов.
Купить высоковольтный модуль в России в условиях санкций не является проблемой для Российских компаний производителей высокоточной аппаратуры. Компания ООО «ПАРАМЕРУС» производит линейку модулей высокого напряжения мощностью до 1.5 Вт, напряжением от 125В до 1500В.
В статье приведен краткий обзор серии высоковольтных источников питания HVULP, приведены основные технические характеристики и типовые схемы подключения.
Высоковольтные модули предназначены прежде всего для питания ФЭУ, однако устройства данного типа получили широкое применение в целом ряде других применений.
Отечественный производитель силовой электроники ООО ПАРАМЕРУС предлагает производителям физических, инспекционных, тестовых приборов серию высоковольтных источников питания HVULP (табл. 1).
Таблица 1. Модельный ряд источников питания HVULP
| Модельный ряд | Номинальная Мощность | Максимальное выходное напряжение при номинальной мощности, В | Регулировка выходного напряжения | Пульсации выходного напряжения | Файлы | ||||
|---|---|---|---|---|---|---|---|---|---|
| HVULP-0.1-X | 0.1 Вт | 100 | 250 | 500 | 1000 | 1250 | От 0 до Vout макс. | 0.003% Vр-р | |
| HVULP-0.25-X | 0.25 Вт | 100 | 250 | 500 | 1000 | 1250 | От 0 до Vout макс. | 0.003% Vр-р | |
| HVULP-0.5-X | 0.5 Вт | 100 | 250 | 500 | 1000 | 1250 | От 0 до Vout макс. | 0.003% Vр-р | |
| HVULP-0.75-X | 0.75 Вт | 100 | 250 | 500 | 1000 | 1250 | От 0 до Vout макс. | 0.003% Vр-р | |
| HVULP-1-X | 1 Вт | 100 | 250 | 500 | 1000 | 1250 | От 0 до Vout макс. | 0.003% Vр-р | |
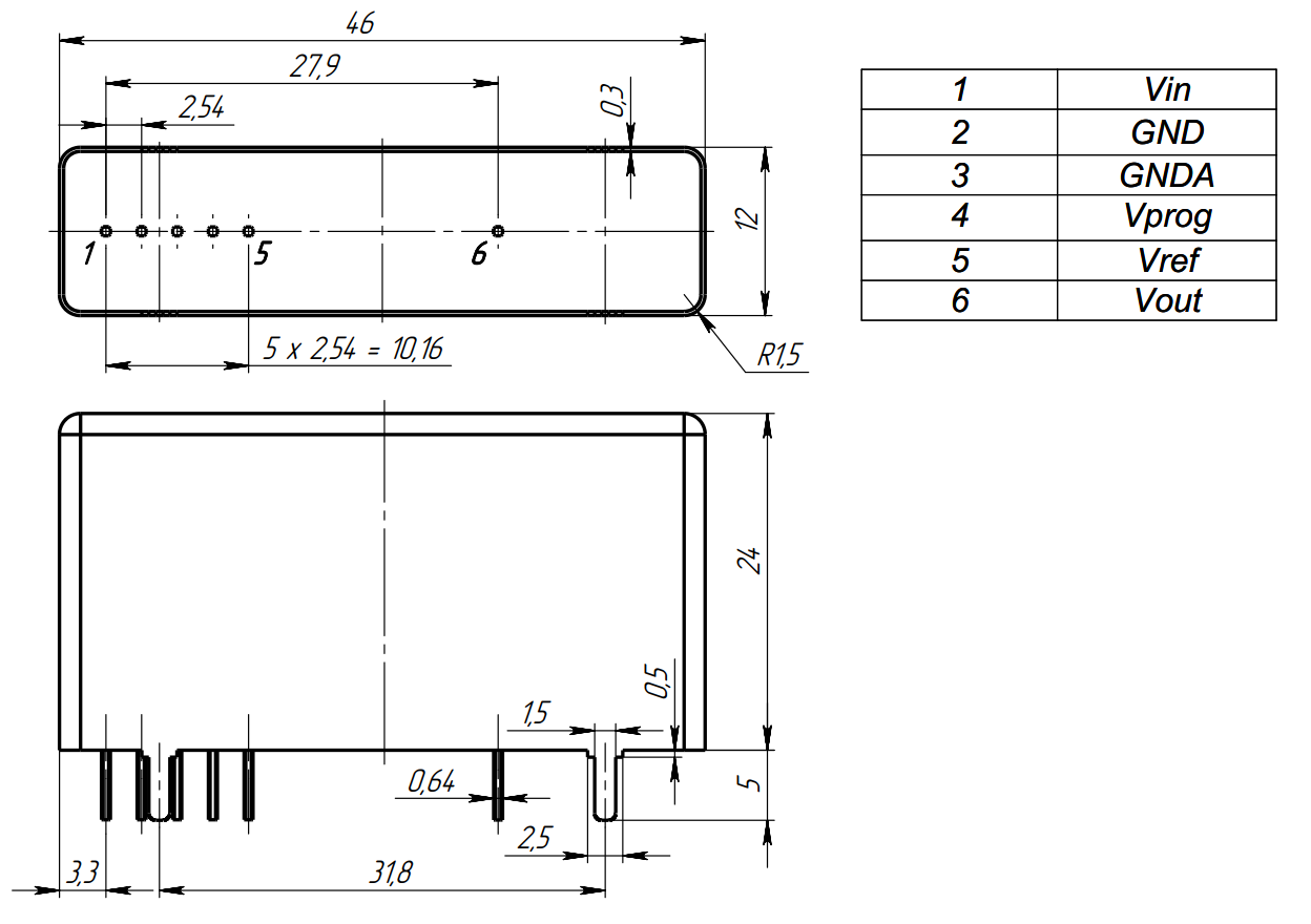
Высоковольтные модули HVULP производятся в металлическом корпусе размером, обеспечивающем экранирование с шести сторон, что позволяет свести к минимуму как уровень электромагнитной эмиссии так и защитить внутреннюю электронику от воздействия внешних полей. Внешний вид и габаритные размеры представлены на рис.1.
|
|
|
Рис. 2 Внешний вид и габаритные размеры источников питания серии HVULP
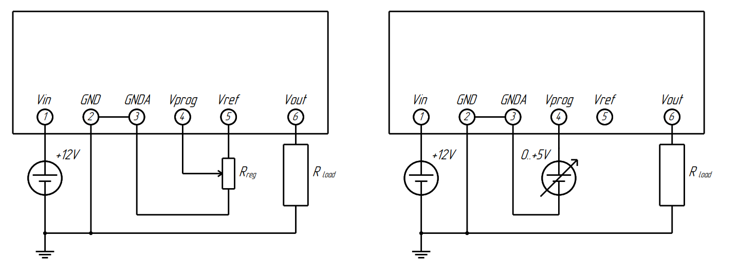
Высоковольтные источники данной серии имеют вывод Vref для установки уровня выходного напряжения. Стандартное входное сопротивление составляет 75 кОм и может быть легко изменено по требованию заказчика. Управляющее напряжение на вход Vref может подаваться как от внешнего источника питания, так посредством потенциометра, подключенного к выходу Vref встроенного опорного напряжения 5 В 20 мА (Рис. 2) .
Рис. 2 Схемы подключения источников питания серии HVULP
В случае использования внешнего источника напряжения рекомендуется подключать его через буфер на операционном усилителе, что гарантирует низкий выходной импеданс управляющего источника (Рис. 4).
Рис.4 Схема буфера на операционном усилителе для задания управляющего напряжения от внешнего источника
К высоковольтным модулям для ФЭУ предъявляются очень жесткие требования по части пульсаций выходного напряжения. Исторически так сложилось, что законодателем тренда в данной области стала Японская компания Хамаматсу (Hamamatsu), фактически установившая промышленный стандарт на уровне 50мВ, что удовлетворят требованиям большинству производимых в мире фотоэлектронных умножителей. Обеспечение такого уровня пульсаций при очень компактном размере корпуса в условиях массового производства требует от компании производителя очень высокой инженерной квалификации кадров и предельно слаженной работы схемотехника, тестировщика и конструктора печатных плат. Схема измерения пульсаций представлена на рис. 5.
Рис.5 Схема измерения пульсаций
Сравнительная таблица высоковольтных модулей для ФЭУ с зарубежными аналогами представлена в таблице:
| Производитель, марка | Модельный ряд | Модельный ряд | Модельный ряд |
|---|---|---|---|
| Номинальная мощность, Вт | 0.75 | 0.75 | 0.8 |
| Максимальное Uвых, кВ | 1250 | 1250 | 1250 |
| Пульсации Uвых, % | 0.003 | 0.003 | 0.005 |
| Температурный к-т, % | ±0.01 | ±0.01 | ±0.01 |
| Размеры (ДхШхВ), мм | 46x12x24 | 46x12x24 | 46x12x24.6 |
Купить высоковольтный модуль серии HVULP или узнать более подробную техническую информацию о продукте можно на основном сайте производителя
В статье проведен краткий обзор серии прецизионных высоковольтных источников питания для крепления на печатную плату серии HVULP. Показаны типовые схемы подключения, приведены технические характеристики и сравнение с зарубежными аналогами.