The HVULP high voltage module is a high voltage power supply with a power of up to 1.5 W designed for installation on a printed circuit board by soldering. This device is widely used to power photomultipliers, elementary particle detectors, gas chromatographs, mass spectrometers and other physical devices.
Buying a high-voltage module in Russia under the sanctions is not a problem for Russian companies producing high-precision equipment. The PARAMERUS LLC company produces a line of high voltage modules with power up to 1.5 W, voltage from 125V to 1500V.
The article provides a brief overview of the HVULP series of high-voltage power supplies, provides the main technical characteristics and typical wiring diagrams.
High-voltage modules are intended primarily for powering PMTs, but devices of this type are widely used in a number of other applications.
The domestic manufacturer of power electronics LLC PARAMERUS offers manufacturers of physical, inspection, test devices a series of high-voltage power supplies HVULP (Table 1).
Table 1. HVULP Power Supply Lineup
| The lineup | Rated power | Maximum output voltage at rated power, V | Output voltage adjustment | Output voltage ripple | Files | ||||
|---|---|---|---|---|---|---|---|---|---|
| HVULP-0.1-X | 0.1 W | 100 | 250 | 500 | 1000 | 1250 | From 0 to Vout max. | 0.003% Vр-р | |
| HVULP-0.25-X | 0.25 W | 100 | 250 | 500 | 1000 | 1250 | From 0 to Vout max. | 0.003% Vр-р | |
| HVULP-0.5-X | 0.5 W | 100 | 250 | 500 | 1000 | 1250 | From 0 to Vout max. | 0.003% Vр-р | |
| HVULP-0.75-X | 0.75 W | 100 | 250 | 500 | 1000 | 1250 | From 0 to Vout max. | 0.003% Vр-р | |
| HVULP-1-X | 1 W | 100 | 250 | 500 | 1000 | 1250 | From 0 to Vout max. | 0.003% Vр-р | |
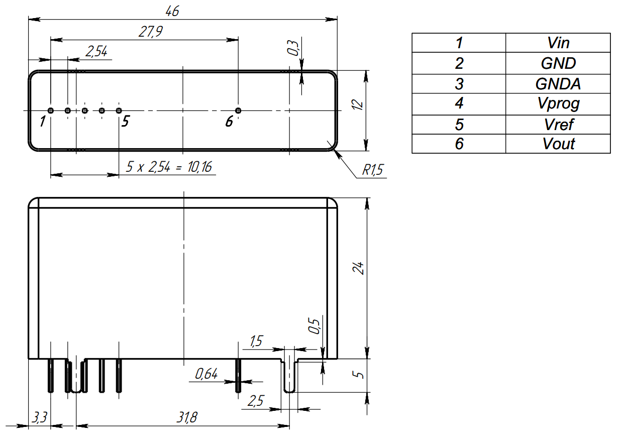
The HVULP high voltage modules are manufactured in a six-side shielded metal housing to minimize both electromagnetic emissions and protect the internal electronics from external fields. Appearance and overall dimensions are shown in Picture.1.
![]() |
Picture. 2 Appearance and overall dimensions of HVULP series power supplies
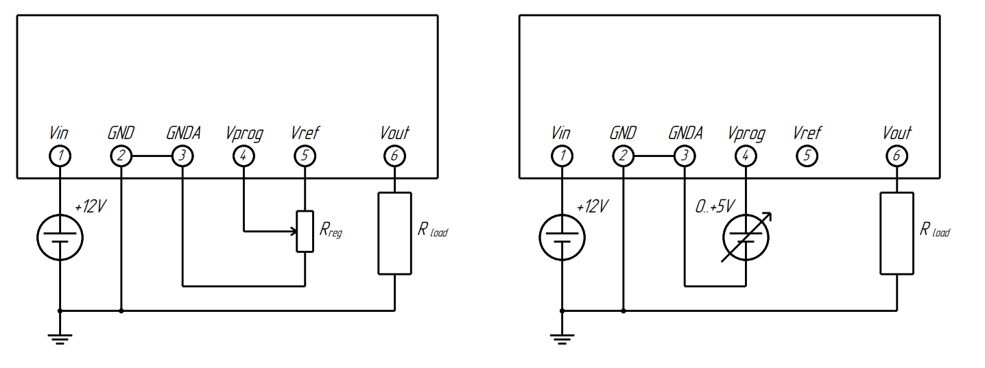
High voltage sources of this series have a Vref pin for setting the output voltage level. The standard input impedance is 75 kOhm and can be easily changed according to the customer's requirement. The control voltage at the Vref input can be supplied either from an external power supply or via a potentiometer connected to the Vref output of the built-in reference voltage. 5 V 20 mA (Picture. 2).
Picture. 2 HVULP Series Power Supply Wiring Diagrams
If an external voltage source is used, it is recommended to connect it through the buffer on the operational amplifier, which guarantees a low output impedance of the control source (Picture. 4).
Picture.4 Scheme of the buffer on the operational amplifier for setting the control voltage from an external source
Very stringent requirements are imposed on high-voltage modules for PMTs in terms of output voltage ripple. Historically, the trend setter in this area was the Japanese company Hamamatsu, which actually set the industry standard at 50mV, which will satisfy the requirements of most photomultiplier tubes produced in the world. Ensuring such a level of ripple with a very compact package size in mass production requires a very high engineering qualification of personnel from the manufacturer's company and extremely well-coordinated work of a circuit engineer, tester and printed circuit board designer. The scheme for measuring pulsations is shown in fig. 5.
Picture.5 Scheme for measuring pulsations
A comparative table of high-voltage modules for PMTs with foreign analogues is presented in the table:
| Manufacturer, brand | The lineup | The lineup | The lineup |
|---|---|---|---|
| Rated power, W | 0.75 | 0.75 | 0.8 |
| Maximum Uout, kV | 1250 | 1250 | 1250 |
| Ripple Uout, % | 0.003 | 0.003 | 0.005 |
| Temperature coef., % | ±0.01 | ±0.01 | ±0.01 |
| Dimensions (LxWxH), mm | 46x12x24 | 46x12x24 | 46x12x24.6 |
You can buy a high-voltage module of the HVULP series or find out more detailed technical information about the product on the main website of the manufacturer
The article provides a brief overview of a series of precision high-voltage power supplies for mounting on a printed circuit board of the HVULP series. Typical connection diagrams are shown, technical characteristics and comparison with foreign analogues are given.